Oxford Valves

C10 Valve

The C10 Valve is a trusted solution widely used for high-pressure gas cylinders. Known for its robust construction and reliable sealing, it is suited for calibration gases and specialty industrial applications, ensuring safety and precision in gas flow control.

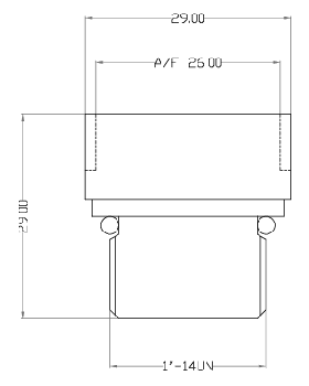
OV-101 | C10 Refillable Valve – Stainless Steel

A stainless steel C10 self-closing cylinder valve engineered for portable and refillable calibration gas cylinders. Built for high durability and corrosion resistance, this valve ensures a secure, leak-proof seal ideal for rugged environments.
C10 cylinder valve manufacturer in India export to Europe USA
Brass C10 self-closing cylinder valve for calibration gases
MATERIAL OF CONSTRUCTION
BODY
ALUMINIUM
SPRING RETAINER
ALUMINIUM
SPRING
STAINLESS STEEL
GUIDE NUT
ALUMINIUM
PISTON
STAINLESS STEEL
PISTON SEALS
VITON
BODY SEALS
NBR
MAIN VALVE SEAT
VITON
OUTLET
5/8 x 18-TPI
INLET
1x14"
PRESSURE RATING
1500PSI MAX.
FINISH
ANODIZING
AL C-10 -1

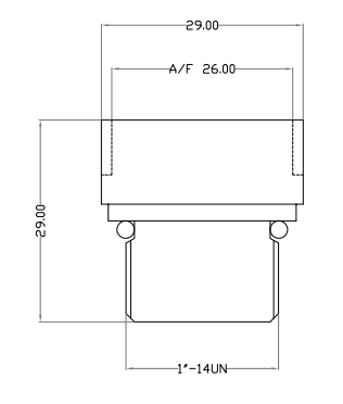
OV-102 | C10 Refillable Valve – Stainless Steel (Standard)

A high-performance refillable C10 valve made of premium stainless steel. Designed for use in portable calibration gas systems, it offers excellent chemical compatibility and long-term reliability
Stainless steel C10 valve for specialty and industrial gases
C10 cylinder valve supplier with export-ready documentation
MATERIAL OF CONSTRUCTION
BODY
ALUMINIUM
SPRING RETAINER
ALUMINIUM
SPRING
STAINLESS STEEL
GUIDE NUT
ALUMINIUM
PISTON
STAINLESS STEEL
PISTON SEALS
VITON
BODY SEALS
NBR
MAIN VALVE SEAT
VITON
OUTLET
5/8 x 18-TPI
INLET
3/4 - 16 UNF
PRESSURE RATING
1500PSI MAX.
FINISH
ANODIZING
AL C-10 - 2
AL C-10 - 2.

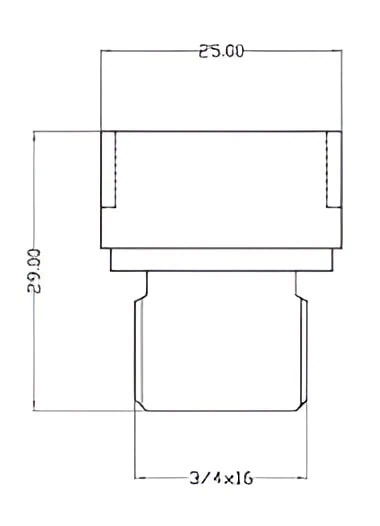
OV-103 | C10 Refillable Valve – Anodized Aluminum

A lightweight C10 self-closing valve made of anodized aluminum. Optimized for refillable calibration gas cylinders where weight and corrosion resistance are critical.
Aluminium C10 cylinder valves lightweight portable cylinders
ISO 9001 certified C10 cylinder valve supplier India
MATERIAL OF CONSTRUCTION
BODY
ALUMINIUM
SPRING RETAINER
ALUMINIUM
SPRING
STAINLESS STEEL
GUIDE NUT
ALUMINIUM
PISTON
STAINLESS STEEL
PISTON SEALS
VITON
BODY SEALS
NBR
MAIN VALVE SEAT
VITON
OUTLET
5/8 x 18-TPI
INLET
5/8 x 18-TPI
PRESSURE RATING
1500PSI MAX.
FINISH
ANODIZING
Model -103_1
M -103_2

OV-104 | C10 Refillable Valve – Brass

A brass self-closing C10 valve tailored for portable, refillable calibration gas cylinders. Ideal for general calibration gas applications across various industries.
TPED / ADR compliant C10 gas valves for European transport (in process)
C10 cylinder valve with leak-tight sealing system
MATERIAL OF CONSTRUCTION
BODY
BRASS
SPRING RETAINER
BRASS
SPRING
STAINLESS STEEL
GUIDE NUT
BRASS
PISTON
BRASS
PISTON SEALS
VITON
BODY SEALS
NBR
MAIN VALVE SEAT
VITON
OUTLET
5/8 x 18-TPI
INLET
M18 x 1.5
PRESSURE RATING
180bar MAX.
FINISH
POLISH
model 104 br

Model OV-1005

Features a 3/4″ inlet and stainless steel construction. This self-closing valve ensures maximum sealing performance and durability for refillable calibration systems.
Custom C10 gas valve manufacturer with OEM support
C10 cylinder valves for calibration gas cylinders
MATERIAL OF CONSTRUCTION
BODY
STAINLESS STEEL
SPRING RETAINER
ALUMINIUM
SPRING
STAINLESS STEEL
GUIDE NUT
STAINLESS STEEL
PISTON
STAINLESS STEEL
PISTON SEALS
VITON
BODY SEALS
NBR
MAIN VALVE SEAT
VITON
OUTLET
5/8-18 UNF
INLET
3/4 - 14 NGT
PRESSURE RATING
180bar MAX.
FINISH
MANUAL / ELETRO POLISH
Model 105

OV-106 | C10 Valve – 5/8" Inlet, Stainless Steel

Designed with a 5/8″ inlet and made from stainless steel, this valve delivers precision sealing and long service life for portable calibration cylinders.
High-pressure C10 cylinder valve tested to EN ISO 10297
C10 cylinder valve with dust caps and adaptors
MATERIAL OF CONSTRUCTION
BODY
STAINLESS STEEL
SPRING RETAINER
ALUMINIUM
SPRING
STAINLESS STEEL
GUIDE NUT
STAINLESS STEEL
PISTON
STAINLESS STEEL
PISTON SEALS
VITON
BODY SEALS
NBR
MAIN VALVE SEAT
VITON
OUTLET
5/8-18 UNF
INLET
1/4 NPT
PRESSURE RATING
180bar MAX.
FINISH
MANUAL / ELETRO POLISH
model 106
C 106

OV-107 | C10 Valve – M18 Thread, Stainless Steel

A C10 self-closing valve with M18 thread configuration, suitable for custom calibration cylinders used in industrial and scientific setups.
Export-ready C10 valve supplier with UK service desk
C10 valves for portable calibration kits and gas detection
MATERIAL OF CONSTRUCTION
BODY
STAINLESS STEEL
SPRING RETAINER
ALUMINIUM
SPRING
STAINLESS STEEL
GUIDE NUT
STAINLESS STEEL
PISTON
STAINLESS STEEL
PISTON SEALS
VITON
BODY SEALS
NBR
MAIN VALVE SEAT
VITON
OUTLET
5/8-18 UNF
INLET
3/4 - 16 UNF
PRESSURE RATING
180bar MAX.
FINISH
MANUAL / ELETRO POLISH
C 107_1

OV-108 | C10 Non-Refillable Valve – Stainless Steel

A non-refillable C10 valve made of stainless steel, ideal for disposable calibration gas cylinders in single-use applications.
Self-closing C10 cylinder valves designed for safety and reliability
π-mark ready C10 cylinder valve manufacturer
MATERIAL OF CONSTRUCTION
BODY
STAINLESS STEEL
SPRING RETAINER
ALUMINIUM
SPRING
STAINLESS STEEL
GUIDE NUT
STAINLESS STEEL
PISTON
STAINLESS STEEL
PISTON SEALS
VITON
BODY SEALS
NBR
MAIN VALVE SEAT
VITON
OUTLET
5/8-18 UNF
INLET
5/8-18 UNF
PRESSURE RATING
180bar MAX.
FINISH
MANUAL / ELETRO POLISH
C 108_1
C 108_2

OV-109 | C10 Non-Refillable Valve – Anodized Aluminum

A lightweight, non-refillable C10 valve made from anodized aluminum, offering corrosion resistance and cost-efficiency for disposable gas applications.
High-precision C10 gas valves for calibration cylinders
C10 cylinder valve supplier with export-ready documentation
MATERIAL OF CONSTRUCTION
BODY
STAINLESS STEEL
SPRING RETAINER
ALUMINIUM
SPRING
STAINLESS STEEL
GUIDE NUT
STAINLESS STEEL
PISTON
STAINLESS STEEL
PISTON SEALS
VITON
BODY SEALS
NBR
MAIN VALVE SEAT
VITON
OUTLET
5/8-18 UNF
INLET
M18 x 1.5
PRESSURE RATING
180bar MAX.
FINISH
MANUAL / ELETRO POLISH
C 109_1
C 109_2

OV-110 | C10 Valve – 1/4" Inlet, Stainless Steel

This 1/4″ inlet C10 stainless steel valve is designed for high-precision gas control in refillable calibration cylinders.
C10 valve manufacturer India with UK-based service support
Leak-tight C10 self-closing valve for portable calibration kits
MATERIAL OF CONSTRUCTION
BODY
STAINLESS STEEL
SPRING RETAINER
ALUMINIUM
SPRING
STAINLESS STEEL
GUIDE NUT
STAINLESS STEEL
PISTON
STAINLESS STEEL
PISTON SEALS
VITON
BODY SEALS
NBR
MAIN VALVE SEAT
VITON
OUTLET
5/8-18 UNF
INLET
3/4 - 14 NGT
PRESSURE RATING
180bar MAX.
FINISH
MANUAL / ELETRO POLISH
C 110

OV-111 | C10 Refillable Valve – Stainless Steel with Burst Disc

Includes an integrated Burst Disc for overpressure protection. Ideal for high-safety refillable calibration gas systems.
C10 gas valve designed for specialty calibration and detection gases
Durable brass C10 valve for disposable calibration cylinders
MATERIAL OF CONSTRUCTION
BODY
STAINLESS STEEL
SPRING RETAINER
ALUMINIUM
SPRING
STAINLESS STEEL
GUIDE NUT
STAINLESS STEEL
PISTON
STAINLESS STEEL
PISTON SEALS
VITON
BODY SEALS
NBR
MAIN VALVE SEAT
VITON
OUTLET
5/8-18 UNF
INLET
1/4 NPT
PRESSURE RATING
180bar MAX.
FINISH
MANUAL / ELETRO POLISH
C 111_1
C 111_2